現在は、以下の組み合わせが対象になります。
ZWO Ha SII OIII 31.7mm(1.25インチ)3枚セット 特価¥62,900
ZWO Ha SII OIII 31mm 3枚セット 特価¥72,500
ZWO Ha SII OIII 36mm 3枚セット 特価¥81,700
ZWO Ha SII OIII 50.8mm(2インチ)3枚セット 特価¥119,200
※フィルター3枚セットの値引きは自動計算されます。
価格は全て税込みです。送料無料でお送りします。
ASI128MC Pro
ZWオプティカル(ZWO)
- 価格: ¥509,600 (税込)
- 売り切れました。
- 商品コード:asimcc09
- 登録日:2017年8月31日
送料無料
2
年保証
商品の説明
ASI128MC Proは、ソニーIMX128を搭載したZWO社のフルサイズ(36mm×24mm)冷却カメラです。有効画素数は6032(水平)×4032(垂直)で、ピクセルサイズは5.97μm×5.97μm、BIN2、BIN3、BIN4モードが使用可能です。ADCは14ビット、飽和容量は76000e-です。

DDRメモリバッファ
ASI128 Proには256MBのDDR3メモリ・バッファが搭載されているため安定したデータ転送ができ、USB2.0ポートで低速データ転送中の熱カブリも発生しません。
ASI「Cool」と「Pro」の主な違いはDDRメモリバッファーがあるかないかです。
天体撮影向けの特性
ASI128MCは、天体写真に非常に優れた性能を発揮します。低い読み出しノイズ、高いダイナミックレンジ、QEピーク53%、ARフィルターなど。
IMX128とKAI-11002の比較
KAI-11002などの古いフルサイズCCDに比べ、IMX128は高解像度・高QE・低ノイズ・高FPS(転送速度)です。
スケアリング調整可能な設計
ASI128MCにはASI071MC-Coolより優れたスケアリング調整機構が装備されています。
USB 3.0ポートとUSB2.0ハブ
USB 3.0ポートは、ASI128 Proを最高解像度(2400万画素)で秒間7フレーム(14ビット、ノーマルモード)/秒間10フレーム(10ビット、高速モード)の転送に必要な5Gbの帯域幅があります。ASI128 Proはフルサイズセンサーを備えているため、消費電力は他のカメラよりもずっと高くなりますが(5V 650mA)、USB3.0ポートは1000mAの電流を供給できるため、外部電源なしで使用可能です。USB2.0ポートに接続する場合は500mAの電流しか供給されませんので、12Vの外部電源を接続する必要があります。
電源は、12V 3A以上のADアダプターか、9~15Vのバッテリーで、5.5x2.1mm センタープラスのものを使用します。
USB 2.0ハブには、フィルターホイール、ガイドカメラ、電動フォーカサーなどのさまざまなアクセサリーを接続できます。ASI128 Proには0.5m USB2.0ケーブルが2本付属しています。使用するためには外部電源が必要です。
冷却機能と防露ヒーター
ASI128 Proは2段熱電冷却システムを採用しており、環境温度より35℃以上の冷却が可能です。冷却機能を使うには外部電源が必要です。
防露ヒーターは、結露を避けるために保護ガラスを加熱することができます。出力は約6W、電力を節約するためにソフトウェアでオフにすることができます。
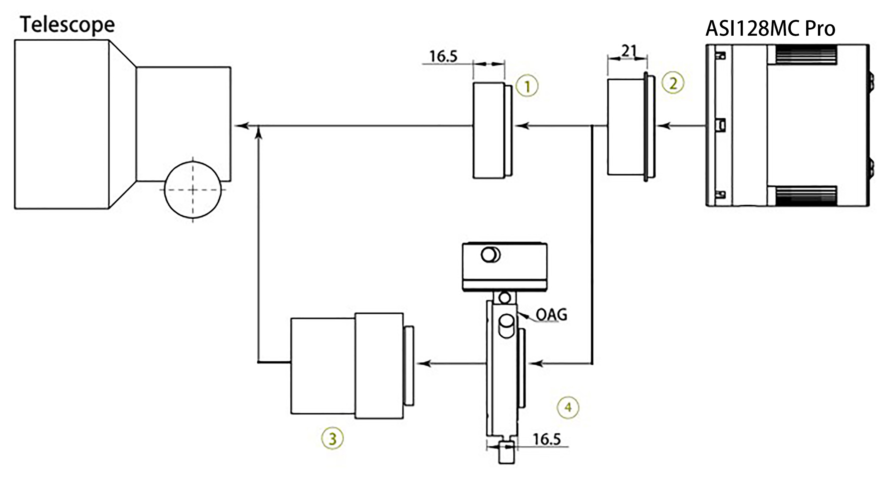
構成図

1. M48-M48 16.5mm延長筒
2. M54-M48 21mm延長筒
3. レデューサー/フラットナー
4. オフアキシスガイダー
各部の寸法
パッケージの内容
接続に必要なケーブルやアダプター、クイックガイドなどが入っています。
冷却カメラ用電源(オプション)
現在のASI冷却カメラは常に電源が必要です(2021~2022年モデルで仕様変更)。

12V 4A ACアダプター PSE基準適合品 ¥1,980(税込)1年保証付
12V 5A ACアダプター PSE基準適合品 ¥2,180(税込)1年保証付(ASI6200・ASI2600・ASI2400用)
シガープラグケーブル ¥980(税込)1年保証付
※ご希望の方は冷却カメラご注文時に備考欄にお書きください。明細を修正し、メールでご連絡さしあげます。
解像度別最高フレームレート
14Bit ADC
6032×4032 7fps
1920×1200
1280×1024
640×480
320×240
(ユーザー定義可能)
商品の仕様
センサーSONY IMX128 CMOS
出力イメージサイズ対角 43.3mm
有効画素数6032(水平)×4032(垂直)約2400万画素
ピクセルサイズ5.97μm
BayerパターンRGGB
最大転送速度(最高解像度)秒間7枚
シャッターローリングシャッター
シャッター速度(露出時間)32μ秒~2000秒
ROI(撮影領域の選択)可
読み出しノイズ2.5e- @24dB gain
QE peak53%
飽和容量76ke-
ADコンバーター14ビット
インターフェイスUSB3.0/USB2.0
望遠鏡との接続M54X0.75
保護ガラスARフィルター
直径86mm
重さ約640g
フランジバック17.5mm
冷却ペルチェ2段式 温度調節可能
冷却可能温度差35度
カメラの消費電流650mA(5V)
冷却機能の消費電流最大3A(12V)
動作温度-5°C~45°C
保存温度-20°C~60°C
動作湿度20%~80%
保存湿度20%~95%
よく一緒に購入されている商品・関連商品
- ASI094MC Pro
- 価格:
¥ 509,600
- 売り切れました。